Tecniq 2013, S.L. - Datos de contacto

Tecniq 2013, S.L.
Ferran Casablancas, 67
08201 Sabadell (Barcelona) España

Cómo ir Cómo llegar

☎:  +34‑636954527  
Ingeniería de vapor e ingeniería de estanquidad

NOTA: Aunque hemos hecho esfuerzos razonables para comprobar la corrección de la ubicación de la empresa/entidad, no podemos garantizarla al 100%

Presentación
Tecniq 2013, S.L.

Optmizar aquello que ya es eficiente parece imposible, pero les avalan más de 20 años de experiencia de ingeniería, consiguiendo importantes ahorros en redes de vapor y condensados, también excelentes resultados en sistemas de estanquidad en varios sectores de producción.

Para conseguirlo hacen programas a medida acompañanando al cliente antes, durante y después de cada uno de ellos.

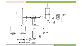
Programas para redes de vapor y condensados optimizando el consumo de energía.

Programas de estanquidad para equipos rotativos optimizando la reducción de averías.

No se trata de clientes, sino de colaborades con el mismo objetivo: optimizar la eficiencia, la filosofía de la empresa.
Catálogos